A picture of me.

Tom Hodson

Maker, Baker Programmer Reformed Physicist RSE@ECMWF


RARA Elegoo Printer Notes


Printer Elegoo Neptune 2
Control Board ZNP Robin Nano V1.3 Schematic of similar board
Microcontroller STM32F407VET6
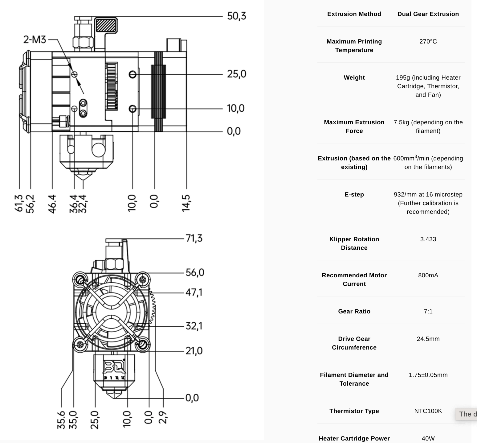
Extruder / Hotend combo BIQU H2V2
Original Firmware ZNP-Robin-Nano-V1.2-V1.3
Current Firmware Original Board Firmware
Z Probe BLTouch
Manual General Guide
PDF Manual PDF
Default config.cfg for Klipper Default config.cfg
Currentish config.cfg Current config.cfg
Microcontroller Datasheet Datasheet